کلید خاموش روشن استارت راکر
Mar 20, 2023
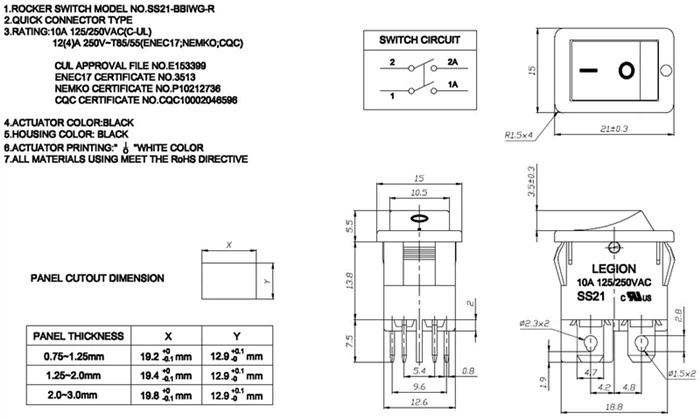
سوئیچ راکر روشن استارت

این کلید روشن و خاموش 21*{1}}سوئیچ تک قطبی و دو پرتابی (SPDT) است که کلید روشن/خاموش روشن/خاموش با کیفیت عالی را ایجاد می کند. دو گیره جانبی پلاستیکی به شما امکان می دهد سوئیچ را روی یک پانل یا یک جعبه سفارشی نصب کنید. همچنین می توان از آن در یک نمونه اولیه استفاده کرد.

مزایای سوئیچ راکر لحظه ای SPST
کلید راکر لحظه ای SPST مزایای متعددی نسبت به انواع دیگر سوئیچ ها دارد. در اینجا به برخی از آنها اشاره می کنیم.
طراحی ساده
سوئیچ طراحی ساده ای دارد که به راحتی قابل درک و استفاده است. مکانیسم های پیچیده ای ندارد که نگهداری و تعمیر آن را آسان می کند.
عملکرد قابل اعتماد
از آنجایی که سوئیچ قطعات متحرک کمی دارد، کمتر مستعد خرابی مکانیکی است. این باعث می شود که گزینه قابل اعتمادتری نسبت به سایر سوئیچ ها که طراحی پیچیده تری دارند باشد.
نصب آسان
سوئیچ طوری طراحی شده است که در یک سوراخ مستطیلی قرار می گیرد و نصب آن را آسان می کند. این به ابزار یا تخصص خاصی نیاز ندارد، و آن را به گزینه ای مناسب برای پروژه های DIY تبدیل می کند.
مقرون به صرفه
سوئیچ در مقایسه با انواع دیگر سوئیچ ها نسبتاً ارزان است. این باعث می شود که برای کاربردهای مختلف، از جمله تولید در مقیاس بزرگ، گزینه ای مقرون به صرفه باشد.

|
مورد |
سوئیچ چرخشی کوتاه روشن و خاموش |
|
متریال |
PA66 / PC |
|
رتبه بندی |
10A 125VAC/6A 250VAC |
|
تماس با مقاومت |
کمتر یا مساوی با 35MΩ |
|
مقاومت عایق |
بزرگتر یا مساوی 500VDC100mΩ |
|
دمای عملیاتی |
-25C~ + 85C |
|
دمای محیط |
-10ºC~ به علاوه 85ºC |
|
قدرت دی الکتریک |
1500 VAC، 1 دقیقه |
|
تایپ کنید |
سوئیچ راکر |
|
عمر الکتریکی |
>10000 چرخه |
|
زندگی الکتریکی |
>50000 چرخه |
|
پایانه ها و وسط پین ها |
مس با روکش نقره |
|
|
|
|
مخاطب |
مس با نقره مرکب |
|
پایانه ها و وسط پین ها |
مس با روکش نقره |

قطب: SPST
پایانه ها: 2/3/4-پین
موقعیت ها: 2 پوزیشن ·
رنگ: قرمز/مشکی
جنس: پلاستیک، فلز
ابعاد: 21mm(L)x15mm(W)x13.2mm(H)

FVWIN ELECTRONICS که در سال 2013 تأسیس شد، بیش از ده سال است که خدمات تولید سوئیچ های الکترونیکی را در صنعت ارائه می دهد. تمرکز ما بر روی ارائه سوئیچ های کنترل کیفیت به مشتریان و ایجاد روابط کاری طولانی مدت است، محصولات ما شامل سوئیچ تاکت، سوئیچ دکمه فشاری، سوئیچ جابجایی، سوئیچ راکر، سوئیچ DIP، سوئیچ کشویی و سوکت می باشد.
